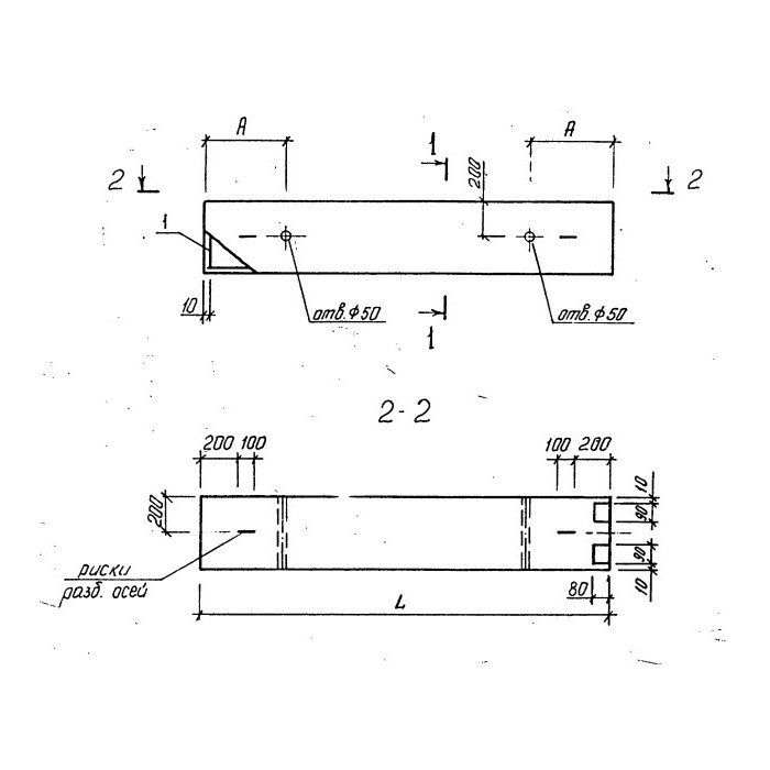
Колонна железобетонная 2КНО 48-48-4-40-00 из серии 1.020.1-4 предназначена для использования в строительстве как несущий элемент. Ее прочная конструкция обеспечивает надежную поддержку верхних конструкций здания. Колонна имеет стандартные размеры и габариты, что упрощает ее монтаж и интеграцию в общую конструкцию здания.









